Baile / Nuacht

Nuacht

Conas Cáilíocht Slabhra Tiomána a Aithint

Conas Cáilíocht Slabhra Tiomána a Aithint

Conas a aithint an bhfuil cáilíocht na Slabhra Tiomáint maith, déanaimis féachaint air le chéile. 1. Is féidir cáilíocht an...

Conas Slabhra Roller a Chosc ó Mheirge

Conas Slabhra Roller a Chosc ó Mheirge

Slabhra Sorcóir Bhí ról mór aige sa táirgeadh tionsclaíoch reatha. Ansin tar éis úsáid fadtéarmach, gheobhaidh tú amach go dtiocfaidh a...

Tugann Monaróir Slabhra Talmhaíochta isteach Riachtanais Úsáide an Seoltóra Slabhra

Tugann Monaróir Slabhra Talmhaíochta isteach Riachtanais Úsáide an Seoltóra Slabhra

Slabhra Talmhaíochta thug monaróir isteach go bhfuil an conveyor slabhra oiriúnach do éagsúlacht timpeallachtaí agus riachtanais. Go so...

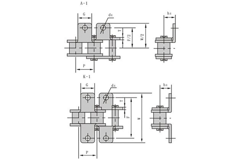
Cad iad na Cineálacha Slabhra Tarchuir?

Cad iad na Cineálacha Slabhra Tarchuir?

Is féidir na cineálacha slabhra tarchurtha slabhra a roinnt ina Slabhra Tarchuir , Slabhra Ardaithe agus Slabhra Tarraingthe. Úsáidte...

Modhanna Coitianta Chun Sprocket Tionsclaíoch a Dheisiú

Modhanna Coitianta Chun Sprocket Tionsclaíoch a Dheisiú

Sprocket Tionsclaíoch is cúlpháirtí atá éasca le caitheamh ar innealra tionsclaíoch. Maidir le giaranna caite, is féidir linn iad a dheisiú t...

Modh Cothabhála Slabhra Seoltóra

Modh Cothabhála Slabhra Seoltóra

Sa lá atá inniu a roinnt ar an modh cothabhála de Slabhra Seoltóra : 1. Is ábhar tábhachtach é tightness an slabhra. Ná déa...

Comhroinn Déantóirí Slabhra Leaf Conas Slabhra Galbhánaithe Ardaithe a Úsáid i gceart

Comhroinn Déantóirí Slabhra Leaf Conas Slabhra Galbhánaithe Ardaithe a Úsáid i gceart

De réir airde ardaithe an réad ardaithe, is féidir fad an slabhra a choigeartú chun an oibríocht ardaithe agus iompair a chomhlánú. Is cuid fíor...

Comhroinn Déantóirí Slabhra Tionscail Conas Iontaofacht Slabhraí Ráille Coiscthe a Bhreithniú

Comhroinn Déantóirí Slabhra Tionscail Conas Iontaofacht Slabhraí Ráille Coiscthe a Bhreithniú

Má úsáidtear slabhra ráille cosanta, tá a iontaofacht an-tábhachtach. Seo a leanas Slabhra Tionsclaíoch cuirfidh an monaróir in aithn...

Is féidir Slabhra Chiúin a Úsáid i dTáirgeadh Uathoibriú Talmhaíochta

Is féidir Slabhra Chiúin a Úsáid i dTáirgeadh Uathoibriú Talmhaíochta

Le haghaidh Slabhra Chiúin , tá a úsáideacht i ngach gné den saol sách mór. Ina measc, tá ár gcairde feirmeoirí níos gaire don Slabhr...

Pointí le tabhairt faoi deara agus Slabhra Gluaisrothar á cheannach

Pointí le tabhairt faoi deara agus Slabhra Gluaisrothar á cheannach

Tá go leor rudaí le tabhairt aird nuair a bhíonn tú ag ceannach Slabhra Gluaisrothar . Ní thuigeann go leor daoine gairmiúla...

Conas stains meirge slabhra sorcóir a bhaint

Conas stains meirge slabhra sorcóir a bhaint

Slabhra Sorcóir tá friotaíocht láidir creimeadh aige, ach cad má tá stains meirge air? Ar an gcéad dul síos, is féidir linn a...

Conas stains ola a bhaint as an slabhra tiomána

Conas stains ola a bhaint as an slabhra tiomána

Tar éis úsáid a bhaint as Slabhra Tiomáint ar feadh i bhfad, mura dtugann tú aird ar chothabháil ola, beidh go leor ola nó salachar a...