Baile / Nuacht

Nuacht

Feidhmiú Slabhra Talmhaíochta san Uathoibriú Talmhaíochta

Feidhmiú Slabhra Talmhaíochta san Uathoibriú Talmhaíochta

Maidir le slabhraí tionsclaíocha, tá a úsáideacht i ngach gné den saol sách mór. Is féidir a fheiceáil go bhfuil ár dtáirgeadh doscartha ó chomhar ...

Buntáistí Uathúla Slabhra Tarchuir

Buntáistí Uathúla Slabhra Tarchuir

Is féidir slabhra a roinnt ina Slabhra Tarchurtha, Slabhra Ardaithe agus Slabhra Tarraingthe. Úsáidtear slabhraí ardaithe agus slabhraí tarraingthe...

Cad iad na Céimeanna De Dhearadh Slabhra Tarchuir

Cad iad na Céimeanna De Dhearadh Slabhra Tarchuir

Sa phróiseas dearaidh agus táirgthe de Slabhra Tarchuir , tá ceithre chéim ríthábhachtacha ann: blanking, braiding, welding, "múnlú" ...

Ceithre Modh Bealaithe a Úsáidtear i Slabhra Conveyor

Ceithre Modh Bealaithe a Úsáidtear i Slabhra Conveyor

Sa tionscal slabhra, Slabhra Seoltóra is cineál slabhra a úsáidtear go coitianta é. Ní mór dó freisin ola bhealaithe a chothabháil le...

Cad iad Feidhmeanna Slabhra Duilleog

Cad iad Feidhmeanna Slabhra Duilleog

Toisc go bhfuil comhpháirteanna an slabhra lann cosúil i méid leis an slabhra sorcóir caighdeánach, braitheann táirgeadh eacnamaíoch an slabhra lan...

Struchtúr agus Tréithe an tSlabhra Chiúin

Struchtúr agus Tréithe an tSlabhra Chiúin

Struchtúr na Slabhra Chiúin Tá sé an-simplí: boird agus bioráin amháin. Tá ocht bpáirc dhifriúla ó 9.52 mm go 50.8 mm. Tá an fór...

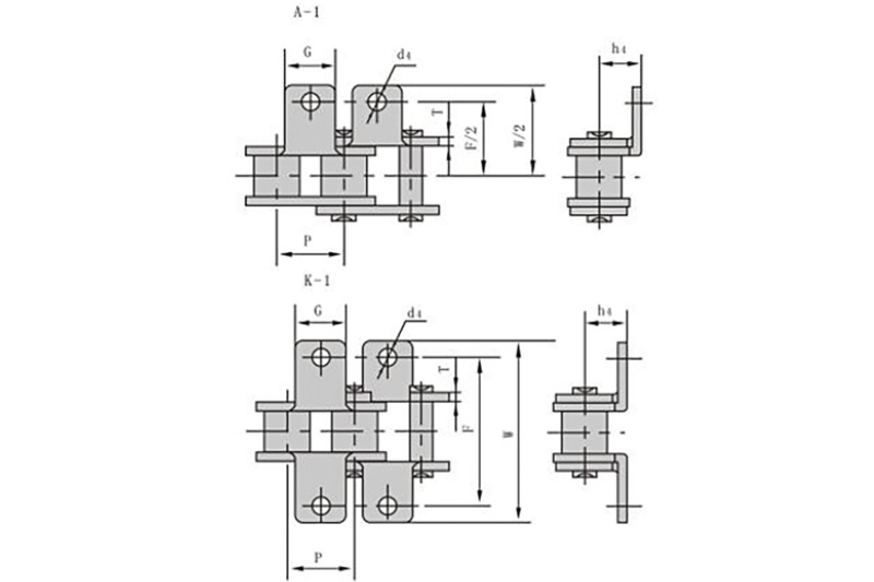
Sonraí Bharántas Slabhra Roller

Sonraí Bharántas Slabhra Roller

Tá an Slabhra Sorcóir comhdhéanta de phláta slabhra istigh, pláta slabhra seachtrach, bioráin, muinchille agus sorcóir. Tá anre ...

Beidh Sprocket Tionsclaíoch Caith Amach Ar feadh Ama Fada

Beidh Sprocket Tionsclaíoch Caith Amach Ar feadh Ama Fada

Gheobhaidh muid go léir é sin má úsáidimid Sprocket Tionsclaíoch ar feadh i bhfad, feicfimid go bhfuil feiniméan caitheamh agus cuimi...

Difríocht idir Sproicéad Tionsclaíoch agus Ulóg Shioncrónach

Difríocht idir Sproicéad Tionsclaíoch agus Ulóg Shioncrónach

Is roth sprocket cineál cog é sprocket freisin, a úsáidtear chun mogalra cruinn a dhéanamh leis an bhfáinne slabhra pitch nó an pháirc ar an gcábla...

Cén Cineál Bealaidh atá Oiriúnach don Slabhra Tionsclaíoch

Cén Cineál Bealaidh atá Oiriúnach don Slabhra Tionsclaíoch

Tá feidhmeanna lubrication, cosc ​​meirge, uiscedhíonach agus frith-fhrithchuimilte ag an tsubstaint olach leachtach a úsáidtear i lubrication slab...

Tá Dearadh Slabhra Tiomána I ngach Áit Sa Saol

Tá Dearadh Slabhra Tiomána I ngach Áit Sa Saol

Slabhra Tiomáint tá dearaí i ngach áit sa saol. Mar sin, conas atá prionsabal an Slabhra Tiomána deartha? Is modh tarchurtha é Drive C...

Tugann Monaróir Slabhra Talmhaíochta isteach Modh Cothabhála Slabhra Meicniúla

Tugann Monaróir Slabhra Talmhaíochta isteach Modh Cothabhála Slabhra Meicniúla

Maidir le cothabháil slabhraí meicniúla, déanfaidh monaróir hzqjchain cur síos ar an méid seo a leanas Slabhra Talmhaíochta bunaithe ...