Baile / Nuacht

Nuacht

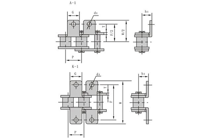
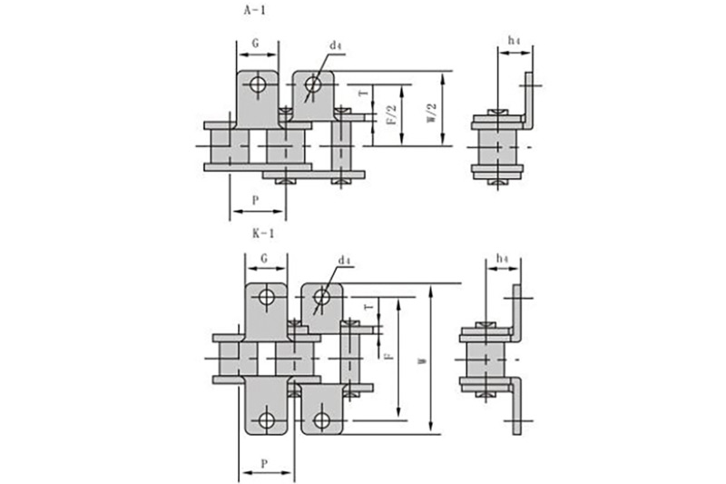
Tugann Monaróirí Slabhra Leaf isteach Na Réamhchúraimí Chun an Slabhra a Ghlanadh

Tugann Monaróirí Slabhra Leaf isteach Na Réamhchúraimí Chun an Slabhra a Ghlanadh

Tá an chuid is mó de na slabhraí ar an margadh déanta as cruach dhosmálta toisc go bhfuil an t-amhábhar déanta as cruach dhosmálta sách crua. Cu...

Tugann Monaróirí Slabhra Tionscail isteach Conas Idirdhealú a Dhéanamh ar an gCineál Slabhra

Tugann Monaróirí Slabhra Tionscail isteach Conas Idirdhealú a Dhéanamh ar an gCineál Slabhra

Tá slabhra iompair oiriúnach le haghaidh péint bácála, sciath miotail, línte cóimeála táirgeachta i monarchana, mar shampla monarchana troscáin,...

Tugann Monaróir Slabhra Chiúin Modhanna Tomhais Réasúnta Do Shlabhraí isteach

Tugann Monaróir Slabhra Chiúin Modhanna Tomhais Réasúnta Do Shlabhraí isteach

Déanann Slabhra Chiúin Tugann an monaróir isteach cad iad na modhanna tomhais réasúnta le haghaidh slabhraí? 1. D'...

Tugann Monaróir Slabhra Gluaisrothar isteach Modh Glanadh Slabhra Cruach Dhosmálta

Tugann Monaróir Slabhra Gluaisrothar isteach Modh Glanadh Slabhra Cruach Dhosmálta

Slabhra Gluaisrothar Tugann an monaróir slabhra cruach dhosmálta isteach mar threalamh tarchurtha uilíoch. De réir na scéime deartha "b...

Tugann Monaróirí Slabhra Roller isteach Prionsabal Dearadh Próifíl Fiacla De Sprocket

Tugann Monaróirí Slabhra Roller isteach Prionsabal Dearadh Próifíl Fiacla De Sprocket

Slabhra Sorcóir Tugann monaróirí prionsabail dearaidh próifíl fiacail sprocket isteach: 1. Cruth próifíl fiacail an sprocket:...

Tugann Déantóirí Slabhra Céide na Scileanna Praiticiúla As Sprocket isteach

Tugann Déantóirí Slabhra Céide na Scileanna Praiticiúla As Sprocket isteach

Slabhra Tiomáint Tugann monaróirí na scileanna praiticiúla a bhaineann le sprocket isteach: 1. Ba chóir go mbeadh tightness ...

Réamhchúraimí Chun Slabhra Talmhaíochta a Úsáid

Réamhchúraimí Chun Slabhra Talmhaíochta a Úsáid

Slabhra Talmhaíochta is féidir le hearráidí difear a dhéanamh ar cheartacht na gluaiseachta uirlisí, agus i gcásanna áirithe, is é an ...

Conas Slabhra Tarchuir a Glanadh i gceart

Conas Slabhra Tarchuir a Glanadh i gceart

Is féidir leat uisce gallúnaí te nó sláintitheoir láimhe a úsáid freisin, nó scuab fiacla caite nó scuab beagán níos deacra a úsáid. Sruthlaigh go ...

Tugann Monaróirí Slabhra Seoltóra isteach Conas An Slabhra a Chothabháil i gceart Laethúil

Tugann Monaróirí Slabhra Seoltóra isteach Conas An Slabhra a Chothabháil i gceart Laethúil

Is féidir leis an slabhra ardaithe cruach dhosmálta fad an tslabhra a choigeartú de réir airde ardaithe an ruda ardaithe. Is gléas ardaithe fíor...

Tugann Monaróirí Sprocket Tionscail na Teicnící Láimhseála Le haghaidh Taiscí Carbóin Slabhra

Tugann Monaróirí Sprocket Tionscail na Teicnící Láimhseála Le haghaidh Taiscí Carbóin Slabhra

Nuair a úsáidtear slabhraí cruach dhosmálta i dtrealamh meicniúil, beidh roinnt salachar ceangailte dosheachanta, agus is taiscí carbóin agus st...

Tugann Monaróirí Slabhra Leaf isteach Cén Fáth a Briseann an Slabhra

Tugann Monaróirí Slabhra Leaf isteach Cén Fáth a Briseann an Slabhra

Slabhra Duilleog Thug monaróirí isteach na cúiseanna agus na réitigh ba chúis leis an slabhra a bhriseadh: 1. Le linn úsáide,...

Tugann Monaróirí Slabhra Tionscail isteach Tréithe Slabhraí Ardchaighdeáin

Tugann Monaróirí Slabhra Tionscail isteach Tréithe Slabhraí Ardchaighdeáin

Slabhra Tionsclaíoch Tugann monaróirí saintréithe slabhraí ardchaighdeáin isteach: 1. Dea-iontaofacht agus cosaint. Ba ...