Baile / Nuacht

Nuacht

Tugann Monarcha Slabhra Conveyor isteach Riachtanais Rialaithe Bainistíochta Córais Slabhra

Tugann Monarcha Slabhra Conveyor isteach Riachtanais Rialaithe Bainistíochta Córais Slabhra

Slabhra Seoltóra Tugann Monarcha ceanglais rialaithe na bainistíochta córais slabhra isteach: 1. An tairiscint chomhchoiteann...

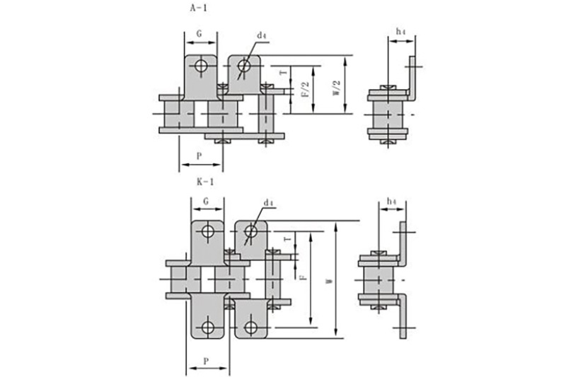
Tugann Monarcha Sprocket Tionscail Réitigh Isteach Chun Scáineadh Slabhra

Tugann Monarcha Sprocket Tionscail Réitigh Isteach Chun Scáineadh Slabhra

Sprocket Tionsclaíoch Tugann Factory isteach an réiteach le haghaidh scoilteadh slabhra: Baineann an slabhra le cineál slabhr...

Tugann Monaróirí Slabhra Leaf isteach na Lochtanna Coitianta a bhaineann le Slabhraí Sorcóir

Tugann Monaróirí Slabhra Leaf isteach na Lochtanna Coitianta a bhaineann le Slabhraí Sorcóir

Déan Slabhra Duilleog Tugann monaróirí isteach cad iad na lochtanna coitianta a bhaineann le slabhraí sorcóir? 1. Caitheamh...

Tugann Monaróirí Slabhra Tionscail na Réamhchúraimí Chun Slabhraí Feidhmiúla a Úsáid

Tugann Monaróirí Slabhra Tionscail na Réamhchúraimí Chun Slabhraí Feidhmiúla a Úsáid

Slabhra Tionsclaíoch Tugann monaróirí isteach na réamhchúraimí chun slabhraí feidhmiúla a úsáid: 1. Teocht an aeir agus reo: ...

Tugann Monaróir Slabhra Gluaisrothar Teicnící Bealaithe Slabhra isteach

Tugann Monaróir Slabhra Gluaisrothar Teicnící Bealaithe Slabhra isteach

Tá plátaí cruach dhosmálta in úsáid go forleathan inár saol laethúil le fada, ach fiafróidh go leor custaiméirí cén timpeallacht nádúrtha ina bhfui...

Tugann Monarcha Slabhra Chiúin Isteach Na Cúiseanna Le Caith An Sprocket

Tugann Monarcha Slabhra Chiúin Isteach Na Cúiseanna Le Caith An Sprocket

Slabhra Chiúin Tugann Factory isteach na cúiseanna atá le caitheamh an sprocket: 1. Is mó an t-ualach caitheamh greamaitheac...

Tugann Monaróirí Slabhra Roller isteach Modhanna Chun Slabhraí Tionscail a Ghlanadh

Tugann Monaróirí Slabhra Roller isteach Modhanna Chun Slabhraí Tionscail a Ghlanadh

Tagraíonn slabhraí tionsclaíocha do slabhraí a úsáidtear le haghaidh innealra meánmhéide agus mór a úsáidtear i ndéantúsaíocht thionsclaíoch. Ma...

Tugann Déantóirí Slabhra Céide Na Réamhchúraimí chun Slabhraí a Úsáid

Tugann Déantóirí Slabhra Céide Na Réamhchúraimí chun Slabhraí a Úsáid

Úsáidtear slabhraí i go leor áiteanna, mar rothair agus gluaisteán. Ós rud é go n-úsáidtear iad i go leor áiteanna, tá cothabháil an slabhra an-...

Tugann Monaróirí Slabhra Talmhaíochta Inúsáidteacht Slabhraí Tarchurtha Ábhair Éagsúla isteach

Tugann Monaróirí Slabhra Talmhaíochta Inúsáidteacht Slabhraí Tarchurtha Ábhair Éagsúla isteach

Slabhra Talmhaíochta Tugann monaróirí isteach úsáideacht slabhraí tarchurtha ábhair éagsúla: 1. Slabhra rubair: Tá an cineál ...

Tugann Monaróirí Slabhra Tarchuir Isteach Na Réamhchúraimí maidir le Slabhraí a Úsáid

Tugann Monaróirí Slabhra Tarchuir Isteach Na Réamhchúraimí maidir le Slabhraí a Úsáid

Úsáidtear slabhraí i go leor áiteanna. Ba chóir go mbeadh a fhios ag gach duine, chomh fada agus is gá trealamh le haghaidh spóirt, go gcaithfid...

Tugann Monaróirí Slabhra Conveyor Isteach Ról Slabhraí Tarchurtha Ábhair Éagsúla

Tugann Monaróirí Slabhra Conveyor Isteach Ról Slabhraí Tarchurtha Ábhair Éagsúla

Slabhra Seoltóra Tugann monaróirí isteach ról na slabhraí tarchurtha d'ábhair éagsúla: 1. Slabhra rubair: Tá an cineál s...

Tugann Monaróirí Sprocket Tionscail na Réamhchúraimí Chun Slabhraí a Úsáid

Tugann Monaróirí Sprocket Tionscail na Réamhchúraimí Chun Slabhraí a Úsáid

Úsáidtear slabhraí i go leor áiteanna, cibé acu is trealamh tionsclaíoch nó earraí tí é, is féidir leat cineálacha éagsúla slabhraí a fheiceáil ...